JPM01 - Remplacement du bidon
L’avarie du réacteur
Il y eut une première alerte en 1982, en l’espèce, une fissuration de la crépine de reprise d’eau lourde (aussi appelée "collecteur de reprise") à l’intérieur du bidon du réacteur. Cette crépine fut simplement retirée en 1983 et non remplacée. Autrement dit, depuis le démarrage du réacteur en 1971, sa structure avait résisté dix ans au rayonnement alors que le rapport de sûreté prévoyait seulement quatre à cinq ans (voir ici).
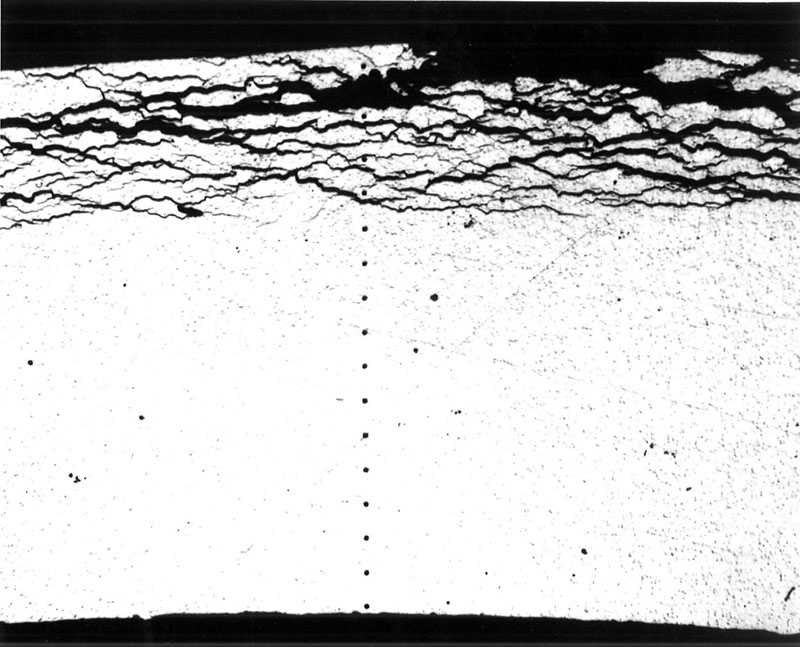
Toutefois en mars 1991, soit 20 ans après la première divergence (donc 4 fois plus que ce que prévoyait le rapport de sûreté) et un fonctionnement de 4500 Jours Equivalents Pleine Puissance (4500 JEPP), cette alerte se concrétisa par l'apparition de fissures traversantes sur la grille de tranquillisation à la sortie du cœur, une grille destinée à réduire les turbulences de l'écoulement de l'eau de refroidissement.
La conséquence fut l’arrêt immédiat du réacteur, l’origine du problème découlant d'une perte de ductilité du matériau irradié (alliage d’aluminium à 3% de magnésium) combinée avec une augmentation significative de le résistance mécanique. A partir d’une certaine fluence (flux intégré) il n'avait quasiment plus de plasticité d’adaptation aux variations de contraintes, qu’elles fussent d’origine thermique ou d’origine mécanique.
Cliquer les illustrations pour les agrandir.
- Roger Gariod
- Néel et le CENG
- Goodies et vieilleries
- L'ILL et le traitement des cancers
- Le groupe théorie
- [50 ans] Souvenirs de Egelhofer
- [50 ans] Ce à quoi le RHF a échappé
- [50 ans] LADI et biologie structurale
- [50 ans] La communication
- [50 ans] Calcul scientifique
- [50 ans] Service mécanique
- [50 ans] Controle instrument
- Du noyau atomique aux rats
- Herma, dresseuse de chats
- Quart de nuit
- Mambo I
- D6 et Covid-19 (2020)
- Covid-19 et l'ILL (2020)
- Pierre Andant
- Un espace culturel scientifique international
- Bruce Forsyth
- Après-Fukushima (JP Martin)
- Cuve EPR (JP Martin)
- Détours et déviations (W. Just)
- Le 50e anniversaire de l'ILL (P. Aldebert)
- Les 50 ans de l'ILL (2017)
- Démantèlement UP2 400 (2016)
- Empoisonnement xénon (2016)
- Environnement échantillon (2015)
- Remplacement du bidon réacteur (2014)
- Encyclopédie des neutrons (2014)
- Enseignement international (2014)
- Zoé - goutte d'eau lourde (2014)
- Pierre Aldebert (2014)
- Cristallographie (2014)
- Hommage à Mélusine (2014)
- Hommage à Siloé (2013)
- Les commissions locales d'information (CLI) (2013)
- Les ateliers nationaux du 21ème siècle (2013)
- Démantèlement ou déconstruction (2013)
- L'affaire Greifeld (2013)
- Mix et transition énergétique (2012)
- La Boîte à Neutrons